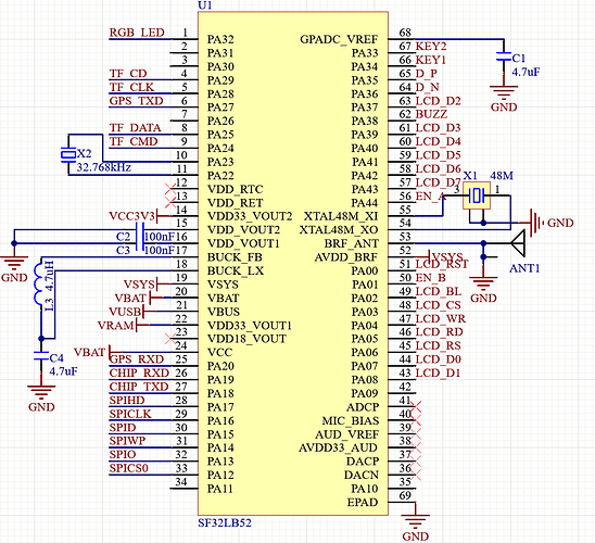
各位工程师好,我设计了一版PCB,打样并进行焊接,现在遇到了如下问题,请看下我的原理图设计是否有问题?
焊接后发现串口无法下载程序,所以我进行了排查,我焊接的芯片是SF32LB525UC6也就是电池供电的版本,我直接使用芯片内置的电源管理链路。
- 连接电池到VBAT引脚,连接VBUS到电脑进行充电,VBAT的充电电流52mA,符合手册上的描述
- 拔掉USB,发现电池输出10mA左右的电流到芯片
- 测量VSYS电压为3.2V但是持续几秒后跳到3V保持一秒左右
- 我安装手册用VDD33_VOUT1给外置的W25Q64供电,但是VDD33_VOUT1电压为0.08V,VDD33_VOUT2也没有电压
我不清楚问题出在哪里,考虑到芯片的供电设计比较复杂,我希望求助各位勘误一下,原理图的核心部分如下
说明: - 音频部分我不使用
- VBAT连接电池,VBUS连接USB
